市委
市人大
市政协
无障碍浏览
|
关怀版
|
|
站群导航
|
媒体矩阵
|
政务邮箱
|
用户空间
政务资讯
政务公开
政务服务
政民互动
数据开放
走进瓷都
首页
>
政务资讯
>
公告公示
市场准入负面清单(2025年版)
发布时间: 2025-04-27
访问量:
相关文档:
相关附件:
1023454
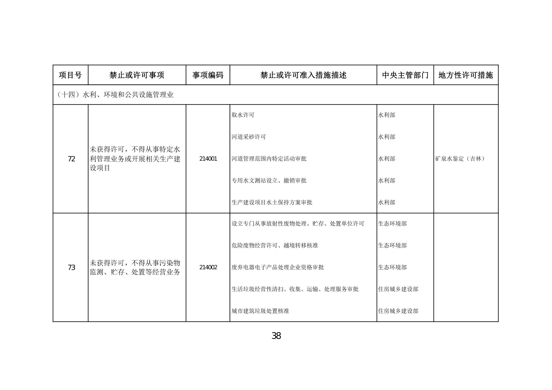
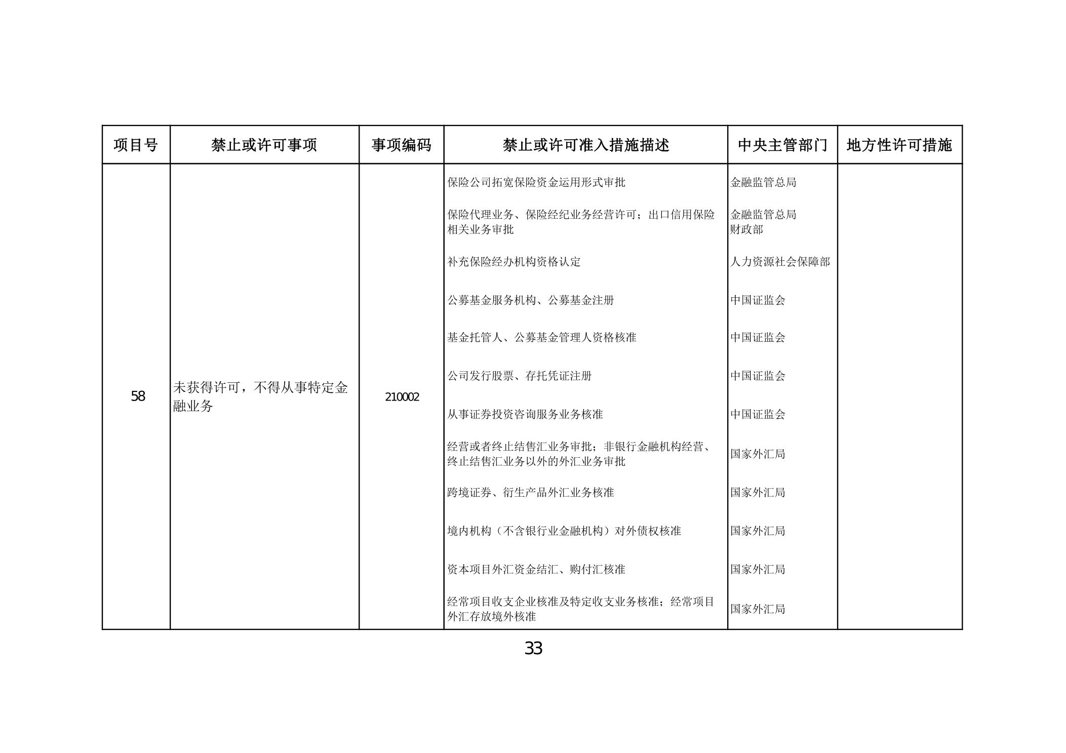
市场准入负面清单(2025年版)
20
2025-04-27
3086
公告公示